RSK Technology
Your Reliable Partner in Power Transmission

RSK-BHJF High-stability Constant Velocity Joint universal couplings for Roller Press OEM

Home / Products / Constant Velocity(CV) Joint / Sliding Type / RSK-BHJF High-stability Constant Velocity Joint universal couplings for Roller Press OEM

RSK-BHJF High-stability Constant Velocity Joint universal couplings for Roller Press OEM

Contact Us
  • Specification
  • Describe
Specification

Operating angle≤5°

Allowable expansion+20~±50

Linking with flange hub

 

Fundamental Specifications

Type

Nominal

Torque

(N · m)

Fatigue

Torque

(N·m)

Allowable Operating

Angle a

The expansion

the Moment of Inertia 

BHJ225F

24800

9000

+20

-30

0.454

BHJ250F

37500

13700

+25

-35

0.795

BHJ285F

44000

16000

+20

-40

1.01

BHJ300F

58000

21000

+20

-40

1.22

BHJ315F

80000

31000

+30

-40

1.57

BHJ350F

110000

44000

+30

-40

2.295

BHJ390F

150000

66500

+30

-45

4.225

BHJ440F

210000

84000

+30

- 50

7.8

BHJ490F

269000

110000

+40

-60

12.4

BHJ550F

450000

180000

+40

-60

18.75

BHJ620F

625000

250000

+50

-70

32.25

 

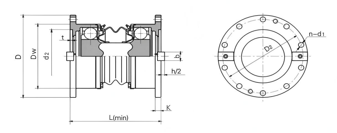
The main dimensions

 

Type

Dw

D

K

d₂

t

 

b

h/2

n-d₁

L(min)

BHJ225F

160

225

20

135+0.10

4

196

32

9

8-17

280

BHJ250F

180

250

25

150+0.10

5

218

40

12.5

8-19

320

BHJ285F

200

285

27

170+0.10

6

245

40

15

8-21

370

BHJ300F

220

300

30

195+0.115

6

265

40

12.5

10-19

380

BHJ315F

240

315

32

205+0.115

7

280

40

15

10-19

400

BHJ350F

260

350

35

210+0.115

7

310

50

16

8-23

430

BHJ390F

300

390

40

235+0.115

7

345

70

18

8-25

480

BHJ440F

330

440

42

255+0.13

9

390

80

20

10-28

520

BHJ490F

370

490

47

275+0.13

11

435

90

22.5

10-31

550

BHJ550F

430

550

50

320+0.14

11

492

100

22.5

10-31

580

BHJ620F

480

620

55

380+0.14

11

555

100

25

10-37

630

 

The characteristic and usage

  • This product is suitable for the driving of short shaft end distance and small operating angle. It can substitute for the Hooke Coupling.
  • It is mainly used for the driving of petroleum machinery and metallurgical machinery.

 

The symbolizing example: BHJ225F1000

BHJ: BHJ Type

225: The specification is 225

F: F Type

1000: The length is 1000







Company
Jiangsu Rokang Heavy Industry Technology Co., Ltd.
Jiangsu Rokang Heavy Industry Technology Co., Ltd. has fixed assets of more than 80 million yuan, and has a team of professional talents in mechanical design, precision manufacturing, heat treatment, welding, etc.; the company has a one-stop complete set of processing facilities and a series of quality inspection systems such as measurement, physical and chemical, and dynamic testing, and has a comprehensive mechanical processing capability. For many years, the company has been committed to the research and development and manufacturing of ball cage type constant velocity universal couplings, cross shaft type universal couplings, and drum gear couplings. It has carried out close industry-university-research cooperation with military and local scientific research institutes and Power Engineering Department of PLA Naval Academy, and has continuously expanded into the fields of precision, heavy load and high speed. The products have successfully replaced foreign famous brand products with excellent performance, and the process technology has reached the international advanced level. It has been widely used in lifting and transportation, metallurgical machinery, metal rolling, engineering machinery, mining machinery, petrochemical, textile machinery, military ships, armored vehicles, railway locomotives, special vehicles and other fields. The product quality and service have been recognized and praised by the majority of users, and are exported to Europe, America, Russia, the Middle East, India and other countries and regions. In recent years, the company has been committed to the in-depth research and development of ball cage constant velocity universal couplings, and has successively developed ball cage constant velocity universal couplings for screw pumps, ball spline ball cage constant velocity universal couplings, coaxial double-speed, and double-way ball cage constant velocity universal couplings. It fundamentally solves the new problems that users currently encounter during use. The company has always adhered to the business purpose of "quality first, honest management, and customer first". We are willing to work with you with excellent products, preferential prices and thoughtful services to create a brilliant career!
Certificate Of Honor
  • 9
  • 9
  • 10
  • 12
  • 1
  • 2
  • 3
  • 4
  • 5
  • 6
  • 7
  • 8
  • CE-HTT2025041211R
  • CE-HTT2025041212R
  • REACH-HTT2025041211CH
  • REACH-HTT2025041212CH
  • ROHS-HTT2025041211CH
  • ROHS-HTT2025041212CH
News
  • We are pleased to announce that the official website of Jiangsu Rokang Heavy Industry Technology Co., Ltd. is now online. Here you can learn about our latest product information, service introduction,...

    Read More
  • 1. Structural composition and meshing mechanism‌Double sprocket and common chain‌The chain coupling consists of two sprockets with the same number of teeth and a common roller chain. The two sprockets...

    Read More
  • Transmitting torque and motionEfficient power transmission: Stable transmission of torque and rotational motion between motors, reducers, pumps and other equipment to ensure continuous operation of th...

    Read More
  • Technical advantages of YHTJ ball cage universal coupling(1) High angle compensation capabilityLarge deflection angle: The deflection angle of a single section can reach 15°~25°, which can adapt to th...

    Read More