High Elastic Coupling for Torsional Vibration Damping

Home / Products / DIN Couplings / High Elastic Coupling for Torsional Vibration Damping
  • Specification
  • Describe
Specification

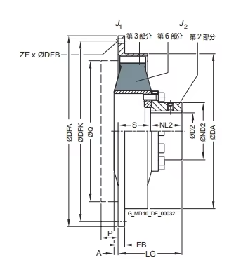
Structural dimensions Dimensions Moment of inertia Product Code Weight (kg)
D1/D2 mm DIN6885 DA ND1/ND2 NL1/NL2  L3 L4  LG J1​ kgm² J2​ kgm²
520 150 585 227 226 201 135 100 552 4.7 1.8 2LC0220 - 7AH 215
560 160 585 240 240 215 133 114 594 5.4 2.5 2LC0220 - 8AH 250
580 160 685 240 250 220 140 120 620 10.1 3.2 2LC0221 - 0AH 300
680 200 685 300 250 218 134 125 625 14.5 6.5 2LC0221 - 1AH 440
770 260 870 390 300 265 238 220 820 40 20 2LC0221 - 2AH 720

Structural dimensions D2 mm DA mm ND2 mm NL2 mm Short installation Long installation Flange connection dimensions Moment of inertia  Product Code Weight (kg)
A LG A S LG SAE DFA DFK FB ZF DFB J1​ kgm² J2​ kgm² Short installation Long installation
465 120 465 222 125 33 92 2 39 164

​14

16

18​

466.7

517.5

571.5

438.2

489.0

542.9

​85

27

18

​8

8

6​

​13

13

17​

0.31 0.58 2LC0220 - 6AA0 2LC0220 - 6AB0 56
520 165 514 250 142 16 159 0 83 225

​18

21​

571.5

673.1

542.9

641.4

​18

18​

​12

12​

​17

17​

0.45 0.93 2LC0220 - 7AA0 2LC0220 - 7AB0 65
560 200 560 320 140 30 130 2.5 83 223

18

21

571.5

673.1

542.9

641.4

35

20

12

12

17

17

0.85 1.2 2LC0220 - 8AA0 2LC0220 - 8AB0 69
580 200 580 316 200 23 215 0 100 300

​18

21​

571.5

673.1

542.9

641.4

​104​

26

​12

12​

​17

17​

0.77 1.8 2LC0221 - 0AA0 2LC0221 - 0AB0 100
680 220 682 380 210 24 232 0 102 312

​21

24​

673.1

733.4

641.4

692.2

​85

20​

​12

12​

​17

21​

4.1 5.3 2LC0221 - 1AA0 2LC0221 - 1AB0 205

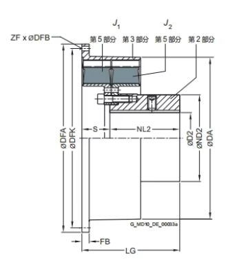
Structural dimensions D2 DA ND2 NL2 Short installation Long installation Flange connection dimensions Moment of inertia  Product Code Weight (kg)
A LG A S LG SAE DFA DFK FB ZF DFB J1​ kgm² J2​ kgm² Short installation Long installation
220 60 222
237
222
222
98 54 - - 0 49
40
40
40
103
94
94
94
6.7
7.5
8
10
215.9
241.3
263.5
314.3

215.9

241.3

263.5

314.3

6

33

8

8

6

8

6

8

8.5

8.5

10.5

10.5

0.008

0.011

0.011

0.017

0.01 - 2LC0220-0AB0

5.8

6.1

6.4

6.9

265 65 263 118 65 15 74 3 39 104

8

10

11.5

263.5

314.3

352.4

263.5

314.3

352.4

33

10

10

6

8

8

10.5

10.5

10.5

0.011

0.017

0.024

0.022 2LC0220-1AA0 2LC0220-1AB0

6.6

6.9

7.2

290 65 290 118 70 18 58 6 36 106

10

11.5

314.3

352.4

314.3

352.4

16

16

8

8

10.5

10.5

0.026

0.036

0.026 2LC0220-2AA0 2LC0220-2AB0

9.2

10.5

320 80 318 140 87 15 96 2 70 157

11.5

14

352.4

466.7

352.4

466.7

16

16

8

8

10.5

13

0.062

0.18

0.061 2LC0220-3AA0 2LC0220-3AB0

19

20.5

360 90 353.5 160 105 29 92 13 56 161

11.5

14

352.4

466.7

352.4

466.7

54

15

8

8

10.5

13

0.065

0.18

0.13 2LC0220-4AA0 2LC0220-4AB0

24.5

27.5

420 100 420 185 102 26 92 10 72 174

14

16

18

466.7

517.5

571.5

466.7

517.5

571.5

18

18

18

8

8

6

13

13

17

0.22

0.32

0.47

0.32 2LC0220-5AA0 2LC0220-5AB0

36

38

40







Company
Jiangsu Rokang Heavy Industry Technology Co., Ltd.
Jiangsu Rokang Heavy Industry Technology Co., Ltd. has fixed assets of more than 80 million yuan, and has a team of professional talents in mechanical design, precision manufacturing, heat treatment, welding, etc.; the company has a one-stop complete set of processing facilities and a series of quality inspection systems such as measurement, physical and chemical, and dynamic testing, and has a comprehensive mechanical processing capability. For many years, the company has been committed to the research and development and manufacturing of ball cage type constant velocity universal couplings, cross shaft type universal couplings, and drum gear couplings. It has carried out close industry-university-research cooperation with military and local scientific research institutes such as Jiangsu University of Science and Technology, School of Mechanical Engineering of Jiangsu University, and Power Engineering Department of PLA Naval Academy, and has continuously expanded into the fields of precision, heavy load and high speed. The products have successfully replaced foreign imported products with excellent performance, and the process technology has reached the international advanced level. It has been widely used in lifting and transportation, metallurgical machinery, metal rolling, engineering machinery, mining machinery, petrochemical, textile machinery, military ships, armored vehicles, railway locomotives, special vehicles and other fields. The product quality and service have been recognized and praised by the majority of users, and are exported to Europe, America, Russia, the Middle East, India and other countries and regions. In recent years, the company has been committed to the in-depth research and development of ball cage constant velocity universal couplings, and has successively developed ball cage constant velocity universal couplings for screw pumps, ball spline ball cage constant velocity universal couplings, coaxial double-speed, and double-way ball cage constant velocity universal couplings. It fundamentally solves the new problems that users currently encounter during use. The company has always adhered to the business purpose of "quality first, honest management, and customer first". We are willing to work with you with excellent products, preferential prices and thoughtful services to create a brilliant career!
Certificate Of Honor
  • 9
  • 10
  • 12
  • 1
  • 2
  • 3
  • 4
  • 5
  • 6
  • 7
  • 8
News
  • We are pleased to announce that the official website of Jiangsu Rokang Heavy Industry Technology Co., Ltd. is now online. Here you can learn about our latest product information, service introduction,...

    Read More
  • 1. Structural composition and meshing mechanism‌Double sprocket and common chain‌The chain coupling consists of two sprockets with the same number of teeth and a common roller chain. The two sprockets...

    Read More
  • Transmitting torque and motionEfficient power transmission: Stable transmission of torque and rotational motion between motors, reducers, pumps and other equipment to ensure continuous operation of th...

    Read More
  • Technical advantages of YHTJ ball cage universal coupling(1) High angle compensation capabilityLarge deflection angle: The deflection angle of a single section can reach 15°~25°, which can adapt to th...

    Read More