RSK-FL-RBS Waterproof elastic pin Couplings

Home / Products / Elastic Couplings / Elastic Pin Couplings / RSK-FL-RBS Waterproof elastic pin Couplings
  • Specification
  • Describe
Specification

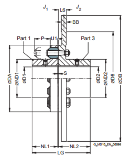
Size Rated torque Dimensions in mm  Brake disk ↗Article no. ²
buffer 90 ShoreA TKN

Nm
buffer 80 ShoreA TKN

Nm

Bore with keyway DIN 6885 - 1

D1 min.

Bore with keyway DIN 6885 - 1

D1 max.

Bore with keyway DIN 6885 - 1

D2 min.

Bore with keyway DIN 6885 - 1

D2 max.

DA ND1 ND2 NL1 NL2 max. S U1 P LG max. DB min. D6 min. BB ³ L6
144 650 500 - 55 - 45 144 76 84 55 219 3 16 35 277 315 175 30 34 2LC0130-3AH
162 950 700 - 60 - 50 162 85 92 60 219 3.5 20 40 282.5 315 175 30 34 2LC0130-4AH
178 1200 950 - 75 - 60 178 102 108 70 219 3.5 20 40 292.5 355 200 30 34 2LC0130-5AH
198 1700 1300 - 90 - 70 198 120 128 80 219 3.5 20 40 302.5 355 200 30 34 2LC0130-6AH
228 2850 2200 - 95 - 80 228 129 140 90 219 3.5 26 50 312.5 355 250 30 34 2LC0130-7AH
252 3550 2750 - 110 38 100 252 150 160 100 219 3.5 26 50 322.5 400 280 30 34 2LC0130-8AH
285 5600 4300 48 120 48 120 285 164 175 110 219 4.5 32 60 333.5 400 310 30 34 2LC0131-0AH
320 7150 5500 55 130 55 130 320 180 192 125 219 4.5 32 60 348.5 450 350 30 34 2LC0131-1AH
360 10000 7800 65 140 65 140 360 200 210 140 221 4.5 42 75 365.5 560 390 30 36 2LC0131-2AH

Size Rated torque Dimensions in mm  Brake disk ↗Article no. 21
buffer 90 ShoreA TKN

Nm
buffer 80 ShoreA TKN

Nm

Bore with keyway DIN 6885 - 1

D1 min.

Bore with keyway DIN 6885 - 1

D1 max.

Bore with keyway DIN 6885 - 1

D2 min.

Bore with keyway DIN 6885 - 1

D2 max.

DA ND1 ND2 NL1 NL2 S U1 P LG D6² min BB² L6
400 16000 12500 75 170 75 150 400 230 230 160 255 4.5 42 75 389.5 410 30 40 2LC0131-3AH
450 24000 18500 85 190 85 170 450 260 260 180 255 5.5 52 90 410.5 460 30 40 2LC0131-4AH
500 32500 25000 95 215 95 190 500 290 290 200 255 5.5 52 90 430.5 510 30 40 2LC0131-5AH
560 50500 39000 100 165 100 210 560 250 320 220 255 6 68 120 451 570 30 40 2LC0131-6AH
165 200 300
200 240 320
630 67500 52000 100 165 100 235 630 250 355 240 240 6 68 120 486 670 30 55 2LC0131-7AH
165 200 300
200 240 355

Size Rated torque Dimensions in mm  Brake disk ↗Article no. 21
buffer 90 ShoreA TKN

Nm
buffer 80 ShoreA TKN

Nm

Bore with keyway DIN 6885 - 1

D1 min.

Bore with keyway DIN 6885 - 1

D1 max.

Bore with keyway DIN 6885 - 1

D2 min.

Bore with keyway DIN 6885 - 1

D2 max.

DA ND1 ND2 NL1 NL2 S U1 P LG D6² min BB² L6
710 109000 84000 110 190 110 250 710 290 385 260 260 7 80 140 527 760 30 75 2LC0131-8AH
190 220 330
220 250 385
800 143000 110000 125 210 125 280 800 320 420 290 290 7 80 140 587 840 30 75 2LC0132-0AH
210 240 360
240 280 420
900 195000 150000 140 210 140 310 900 320 465 320 - 7.5 90 160 647.5 950 30 75 2LC0132-1AH
210 240 360
240 280 425
280 310 465
1000 250000 195000 150 230 150 340 1000 355 515 350 - 7.5 90 160 707.5 1050 30 75 2LC0132-2AH
230 260 395
260 300 460
300 340 515






Company
Jiangsu Rokang Heavy Industry Technology Co., Ltd.
Jiangsu Rokang Heavy Industry Technology Co., Ltd. has fixed assets of more than 80 million yuan, and has a team of professional talents in mechanical design, precision manufacturing, heat treatment, welding, etc.; the company has a one-stop complete set of processing facilities and a series of quality inspection systems such as measurement, physical and chemical, and dynamic testing, and has a comprehensive mechanical processing capability. For many years, the company has been committed to the research and development and manufacturing of ball cage type constant velocity universal couplings, cross shaft type universal couplings, and drum gear couplings. It has carried out close industry-university-research cooperation with military and local scientific research institutes such as Jiangsu University of Science and Technology, School of Mechanical Engineering of Jiangsu University, and Power Engineering Department of PLA Naval Academy, and has continuously expanded into the fields of precision, heavy load and high speed. The products have successfully replaced foreign imported products with excellent performance, and the process technology has reached the international advanced level. It has been widely used in lifting and transportation, metallurgical machinery, metal rolling, engineering machinery, mining machinery, petrochemical, textile machinery, military ships, armored vehicles, railway locomotives, special vehicles and other fields. The product quality and service have been recognized and praised by the majority of users, and are exported to Europe, America, Russia, the Middle East, India and other countries and regions. In recent years, the company has been committed to the in-depth research and development of ball cage constant velocity universal couplings, and has successively developed ball cage constant velocity universal couplings for screw pumps, ball spline ball cage constant velocity universal couplings, coaxial double-speed, and double-way ball cage constant velocity universal couplings. It fundamentally solves the new problems that users currently encounter during use. The company has always adhered to the business purpose of "quality first, honest management, and customer first". We are willing to work with you with excellent products, preferential prices and thoughtful services to create a brilliant career!
Certificate Of Honor
  • 9
  • 10
  • 12
  • 1
  • 2
  • 3
  • 4
  • 5
  • 6
  • 7
  • 8
News
  • We are pleased to announce that the official website of Jiangsu Rokang Heavy Industry Technology Co., Ltd. is now online. Here you can learn about our latest product information, service introduction,...

    Read More
  • 1. Structural composition and meshing mechanism‌Double sprocket and common chain‌The chain coupling consists of two sprockets with the same number of teeth and a common roller chain. The two sprockets...

    Read More
  • Transmitting torque and motionEfficient power transmission: Stable transmission of torque and rotational motion between motors, reducers, pumps and other equipment to ensure continuous operation of th...

    Read More
  • Technical advantages of YHTJ ball cage universal coupling(1) High angle compensation capabilityLarge deflection angle: The deflection angle of a single section can reach 15°~25°, which can adapt to th...

    Read More