RSK-FL-RFS High-efficiency transmission elastic pin gear coupling

Home / Products / Elastic Couplings / Elastic Pin Couplings / RSK-FL-RFS High-efficiency transmission elastic pin gear coupling

RSK-FL-RFS High-efficiency transmission elastic pin gear coupling

Contact Us
  • Specification
  • Describe
Specification

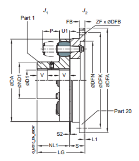
Size Rated torque Speed Dimensions in mm  Flange connection Mass moment of inertia ↗Article no. ²

Weight

m

(kg)

buffer 90 ShoreA TKN

Nm
buffer 80 ShoreA TKN

Nm
nKmax​ rpm Bore with keyway DIN 6885 - 1 D1 min. Bore with keyway DIN 6885 - 1 D1 max. DA ND1 NL1 S LG DFA h8 FB DFN H7 L1 DFK ZF DFB J1​

kgm²
J2​ 

kgm²
105 260 200 10000 - 38 105 53 45 26 71 158 10 142 6 9 0.001 0.005 2LC0130 - 1AK 2.2
125 450 350 9000 - 48 125 65 50 31 81 180 13 160 6 11 0.003 0.012 2LC0130 - 2AK 4
144 650 500 7800 - 55 144 76 55 31 86 200 13 180 7 11 0.004 0.018 2LC0130 - 3AK 4.8
162 950 750 6900 - 60 162 85 60 37.5 97.5 220 13 200 8 11 0.007 0.032 2LC0130 - 4AK 7.1
178 1200 950 6300 - 75 178 102 70 37.5 107.5 248 16 224 8 14 0.014 0.055 2LC0130 - 5AK 10
198 1700 1300 5600 - 90 198 120 80 37.5 117.5 274 16 250 8 14 0.02 0.08 2LC0130 - 6AK 12
228 2850 2200 4900 - 95 228 129 90 45.5 135.5 314 20 282 8 18 0.036 0.18 2LC0130 - 7AK 19
252 3550 2750 4400 - 110 252 150 100 45.5 145.5 344 20 312 8 18 0.066 0.26 2LC0130 - 8AK 24
285 5600 4300 3900 48 120 285 164 110 55.5 165.5 380 22 348 9 18 0.12 0.46 2LC0131 - 0AK 36
320 7150 5500 3500 55 130 320 180 125 55.5 175.5 430 25 390 9 22 0.23 0.76 2LC0131 - 1AK 49
360 10000 7800 3100 65 145 360 200 140 70.5 210.5 480 25 440 10 22 0.4 1.4 2LC0131 - 2AK 74
400 16000 12500 2800 75 170 400 230 160 74.5 234.5 520 50 380 4 480 10 22 0.83 1.8 2LC0131 - 3AK 119
450 24000 18500 2500 85 190 450 260 180 85.5 265.5 575 45 428 6 528 12 26 1.6 3.2 2LC0131 - 4AK 167
500 32500 25000 2200 95 215 500 290 200 85.5 285.5 620 45 475 6 570 12 26 2.7 4.3 2LC0131 - 5AK 198

Size Rated torque Speed Dimensions in mm  Flange connection Mass moment of inertia ↗Article no. ²

Weight 

m

(kg)

buffer 90 ShoreA TKN

Nm
buffer 80 ShoreA TKN

Nm
nKmax​ rpm Bore with keyway DIN 6885 - 1 D1 min. Bore with keyway DIN 6885 - 1 D1 max. DA ND1 NL1 S LG DFA h8 FB DFN H7 L1 DFK ZF DFB J1​

kgm²
J2​ 

kgm²
560 50500 39000 2000 100 165 560 250 220 106 326 700 65 532 8 650 16 26 4.8 8.2 2LC0131 - 6AK 330
165 200 300 5.2 340
200 240 320 5.2 320
100 165 250 7.6 390
630 67500 52000 1800 165 200 630 300 240 106 346 785 60 602 8 725 16 33 7.9 13.8 2LC0131 - 7AK 400
200 265 355 8.4 400
110 190 290 14.4 550
710 109000 84000 1600 190 220 710 330 260 127 387 875 80 675 10 815 18 33 14.6 26 2LC0131 - 8AK 560
220 280 385 15.5 555
125 210 320 23.1 690
800 143000 110000 1400 210 240 800 360 290 127 417 1000 70 765 10 930 16 39 23.3 45 2LC0131 - 9AK 710
240 310 420 25 700

Configurable variants 2:

• ØD1 Without finished bore With finished bore.

• ØD2 Without finished bore With finished bore.









Company
Jiangsu Rokang Heavy Industry Technology Co., Ltd.
Jiangsu Rokang Heavy Industry Technology Co., Ltd. has fixed assets of more than 80 million yuan, and has a team of professional talents in mechanical design, precision manufacturing, heat treatment, welding, etc.; the company has a one-stop complete set of processing facilities and a series of quality inspection systems such as measurement, physical and chemical, and dynamic testing, and has a comprehensive mechanical processing capability. For many years, the company has been committed to the research and development and manufacturing of ball cage type constant velocity universal couplings, cross shaft type universal couplings, and drum gear couplings. It has carried out close industry-university-research cooperation with military and local scientific research institutes such as Jiangsu University of Science and Technology, School of Mechanical Engineering of Jiangsu University, and Power Engineering Department of PLA Naval Academy, and has continuously expanded into the fields of precision, heavy load and high speed. The products have successfully replaced foreign imported products with excellent performance, and the process technology has reached the international advanced level. It has been widely used in lifting and transportation, metallurgical machinery, metal rolling, engineering machinery, mining machinery, petrochemical, textile machinery, military ships, armored vehicles, railway locomotives, special vehicles and other fields. The product quality and service have been recognized and praised by the majority of users, and are exported to Europe, America, Russia, the Middle East, India and other countries and regions. In recent years, the company has been committed to the in-depth research and development of ball cage constant velocity universal couplings, and has successively developed ball cage constant velocity universal couplings for screw pumps, ball spline ball cage constant velocity universal couplings, coaxial double-speed, and double-way ball cage constant velocity universal couplings. It fundamentally solves the new problems that users currently encounter during use. The company has always adhered to the business purpose of "quality first, honest management, and customer first". We are willing to work with you with excellent products, preferential prices and thoughtful services to create a brilliant career!
Certificate Of Honor
  • 9
  • 10
  • 12
  • 1
  • 2
  • 3
  • 4
  • 5
  • 6
  • 7
  • 8
News
  • We are pleased to announce that the official website of Jiangsu Rokang Heavy Industry Technology Co., Ltd. is now online. Here you can learn about our latest product information, service introduction,...

    Read More
  • 1. Structural composition and meshing mechanism‌Double sprocket and common chain‌The chain coupling consists of two sprockets with the same number of teeth and a common roller chain. The two sprockets...

    Read More
  • Transmitting torque and motionEfficient power transmission: Stable transmission of torque and rotational motion between motors, reducers, pumps and other equipment to ensure continuous operation of th...

    Read More
  • Technical advantages of YHTJ ball cage universal coupling(1) High angle compensation capabilityLarge deflection angle: The deflection angle of a single section can reach 15°~25°, which can adapt to th...

    Read More