RSK-FL-RWS Low-temperature resistant elastic sleeve pin coupling

Home / Products / Elastic Couplings / Elastic Pin Couplings / RSK-FL-RWS Low-temperature resistant elastic sleeve pin coupling
  • Specification
  • Describe
Specification

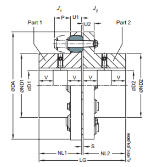
Size Rated torque Speed Dimensions in mm  Mass moment of inertia ↗Article no. ²

Weight 

kg

buffer 90 ShoreA TKN

Nm

buffer 80 ShoreA TKN

Nm

 nKmax​ rpm Bore with keyway D1 min. Bore with keyway D1 max.   DIN 6885 - 1 D2 min. DIN 6885 - 1 D2 max. DA ND1 ND2 NL1/S NL2 S U1 U2 P  LG

 J1​

kgm²

J2​ 

kgm²

105 260 200 10000 - 38 - 42 105 53 59 45 3 13 12 30 93 0.001 0.001 2LC0130 - 1AB 1.7
125 450 350 9000 - 48 - 50 125 65 68 50 3 16 15 35 103 0.003 0.003 2LC0130 - 2AB 3
144 650 500 7800 - 55 - 60 144 76 84 55 3 16 15 35 113 0.004 0.006 2LC0130 - 3AB 4.3
162 950 750 6900 - 60 - 65 162 85 92 60 3.5 20 18 40 123.5 0.007 0.013 2LC0130 - 4AB 6.5
178 1200 950 6300 - 75 - 80 178 102 108 70 3.5 20 18 40 143.5 0.014 0.021 2LC0130 - 5AB 9.1
198 1700 1300 5600 - 90 - 95 198 120 128 80 3.5 20 18 40 163.5 0.02 0.028 2LC0130 - 6AB 11.2
228 2850 2200 4900 - 95 - 100 228 129 140 90 3.5 26 24 50 183.5 0.036 0.07 2LC0130 - 7AB 17.5
252 3550 2750 4400 - 110 - 120 252 150 160 100 3.5 26 24 50 203.5 0.066 0.115 2LC0130 - 8AB 23.6
285 5600 4300 3900 - 120 - 130 285 164 175 110 4.5 32 30 60 224.5 0.12 0.21 2LC0131 - 0AB 36
320 7150 5500 3500 55 130 55 140 320 180 192 125 4.5 32 30 60 254.5 0.23 0.29 2LC0131 - 1AB 50
360 10000 7800 3100 65 145 65 150 360 200 210 140 4.5 42 42 75 284.5 0.4 0.69 2LC0131 - 2AB 73
400 16000 12500 2800 75 170 75 170 400 230 230 160 4.5 42 42 75 324.5 0.83 0.83 2LC0131 - 3AB 97
450 24000 18000 2500 85 190 85 190 450 260 260 180 5.5 52 52 90 365.5 1.6 1.6 2LC0131 - 4AB 147
500 32500 25000 2200 95 215 95 215 500 290 290 200 5.5 52 52 90 405.5 2.7 2.7 2LC0131 - 5AB 192
560 50500 39000 2000 100 265 100 265 560 350 350 220 6 68 68 120 446 4.8 4.8 2LC0131 - 6AB 274
5.2 5.2 292
5.6 5.6 268
7.2 7.2 352
630 67500 52000 1800 100 265 100 265 630 350 350 240 6 68 68 120 486 7.9 7.9 2LC0131 - 7AB 370
8.4 8.4 356
14.4 14.4 507
710 109000 84000 1600 110 290 110 290 710 330 330 260 7 80 80 140 527 14.6 14.6 2LC0131 - 8AB 530
15.5 15.5 509

Size Rated torque Speed Dimensions in mm  Mass moment of inertia ↗Article no. ²

Weight

m

kg

buffer 90 ShoreA TKN

Nm

buffer 80 ShoreA TKN

Nm

 nKmax​ rpm Bore with keyway D1 min. Bore with keyway D1 max. DIN 6885 - 1 D2 min. DIN 6885 - 1 D2 max. DA ND1 ND2 NL1/S NL2 S U1 U2 P  LG

 J1

​kgm²

J2​

kgm²

800 143000 110000 1400 125 210 125 210 800 320 320 290 7 80 80 140 587 23.1 23.1 2LC0132 - 0AB 683
210 240 210 240 340 340 23.3 23.3 715
240 310 240 310 420 420 25 25 697
900 195000 150000 1250 140 210 140 210 900 320 320 320 7.5 90 90 160 647.5 40 40 2LC0132 - 1AB 903
210 240 210 240 360 360 41 41 933
240 280 249 280 425 425 44 44 1000
280 340 280 340 465 465 44 44 948
1000 250000 195000 1100 150 230 150 230 1000 355 355 350 7.5 90 90 160 707.5 63 63 2LC0132 - 2AB 1170
230 260 230 260 395 395 64 64 1208
260 300 260 300 460 460 68 68 1290
300 380 300 380 515 515 68 68 1720
1120 350000 270000 1000 160 240 160 240 1120 360 360 380 8.5 100 100 180 768.5 105 105 2LC0132 - 3AB 1560
240 370 240 370 410 410 106 106 1660
270 230 270 230 495 495 109 109 1730
330 410 330 410 510 510 116 116 1700
1250 450000 345000 900 180 270 180 270 1250 410 410 420 8.5 100 100 180 848.5 168 168 2LC0132 - 4AB 2000
270 300 270 300 460 460 172 172 2150
300 340 300 340 510 510 179 179 2200
360 460 360 460 640 640 185 185 2550
1400 690000 530000 800 210 350 210 350 1400 525 525 480 9 120 120 210 969 316 316 2LC0132 - 5AB 3020
350 410 350 410 620 620 322 322 3120
410 510 410 510 700 700 349 349 3280
260 370 260 370 565 565 540 540 3890
1600 975000 750000 700 370 410 370 410 1600 625 625 540 9 120 120 210 1089 554 554 2LC0132 - 6AB 4270
410 480 410 480 720 720 587 587 4300
480 560 480 560 770 770 598 598 4270
1800 1260000 975000 600 340 440 340 440 1800 660 660 600 12 140 140 240 1212 1043 1043 2LC0132 - 7AB 6230
440 480 440 480 720 720 1072 1072 6460
480 540 480 540 820 820 1112 1112 6770
540 650 540 650 870 870 1133 1133 6390
2000 1690000 1300000 550 380 500 380 500 2000 820 820 660 12 140 140 240 1332 1624 1624 2LC0132 - 8AB 8140
500 540 500 540 920 920 1765 1765 8360
540 610 540 610 940 940 1749 1749 8280

Notes:

• From size 560 bores, D1 and D2 are each provided with a recess of D = +1 mm halfway along the hub. V ≈ 1/3 NL.

• The hub diameter of the component part is assigned according to the diameter of the finished bore. Where bore diameters overlap, the component with the smaller hub diameter is always selected.

• Weight and mass moments of inertia apply to maximum bore diameters.

• The article numbers apply to standard buffers of NBR material in the 80 ShoreA variant; the article number for alternative buffer types is available on reques.t Configurable variants 2).

• ØD1 Without finished bore With finished bore.

• ØD2 Without finished bore With finished bore.







Company
Jiangsu Rokang Heavy Industry Technology Co., Ltd.
Jiangsu Rokang Heavy Industry Technology Co., Ltd. has fixed assets of more than 80 million yuan, and has a team of professional talents in mechanical design, precision manufacturing, heat treatment, welding, etc.; the company has a one-stop complete set of processing facilities and a series of quality inspection systems such as measurement, physical and chemical, and dynamic testing, and has a comprehensive mechanical processing capability. For many years, the company has been committed to the research and development and manufacturing of ball cage type constant velocity universal couplings, cross shaft type universal couplings, and drum gear couplings. It has carried out close industry-university-research cooperation with military and local scientific research institutes such as Jiangsu University of Science and Technology, School of Mechanical Engineering of Jiangsu University, and Power Engineering Department of PLA Naval Academy, and has continuously expanded into the fields of precision, heavy load and high speed. The products have successfully replaced foreign imported products with excellent performance, and the process technology has reached the international advanced level. It has been widely used in lifting and transportation, metallurgical machinery, metal rolling, engineering machinery, mining machinery, petrochemical, textile machinery, military ships, armored vehicles, railway locomotives, special vehicles and other fields. The product quality and service have been recognized and praised by the majority of users, and are exported to Europe, America, Russia, the Middle East, India and other countries and regions. In recent years, the company has been committed to the in-depth research and development of ball cage constant velocity universal couplings, and has successively developed ball cage constant velocity universal couplings for screw pumps, ball spline ball cage constant velocity universal couplings, coaxial double-speed, and double-way ball cage constant velocity universal couplings. It fundamentally solves the new problems that users currently encounter during use. The company has always adhered to the business purpose of "quality first, honest management, and customer first". We are willing to work with you with excellent products, preferential prices and thoughtful services to create a brilliant career!
Certificate Of Honor
  • 9
  • 10
  • 12
  • 1
  • 2
  • 3
  • 4
  • 5
  • 6
  • 7
  • 8
News
  • We are pleased to announce that the official website of Jiangsu Rokang Heavy Industry Technology Co., Ltd. is now online. Here you can learn about our latest product information, service introduction,...

    Read More
  • 1. Structural composition and meshing mechanism‌Double sprocket and common chain‌The chain coupling consists of two sprockets with the same number of teeth and a common roller chain. The two sprockets...

    Read More
  • Transmitting torque and motionEfficient power transmission: Stable transmission of torque and rotational motion between motors, reducers, pumps and other equipment to ensure continuous operation of th...

    Read More
  • Technical advantages of YHTJ ball cage universal coupling(1) High angle compensation capabilityLarge deflection angle: The deflection angle of a single section can reach 15°~25°, which can adapt to th...

    Read More