RSK Technology
Your Reliable Partner in Power Transmission

Wholesale RSK-WGZ type drum toothed coupling with brake wheel normally used in shoe brake

Home / Products / Gear Couplings / RSK-WGZ type drum toothed coupling with brake wheel normally used in shoe brake
  • Specification
  • Describe
Specification

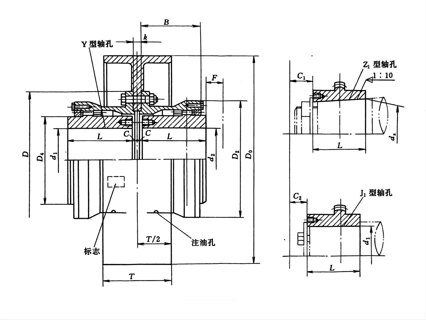
For gear couplings connected via an intermediate shaft or sleeve, the critical speed must be verified when the intermediate shaft or sleeve is excessively long, heavy, or operates at high rotational speeds.

model

Nominal torque

Tn/N.m

Permissible speed

n/r.min-1

Shaft hole diameter

d1\d2

Shaft hole length L

D0

D

D2

D4

B

F

C

C1

C2

weight

m/kg

moment of inertia

I/kg.m2

Lubricating grease dosage

/ml

Y

J1,Z1

WGZ1

710

4000

12,14

32

--

160

200

250

122

98

60

58

30

30

--

--

5.62

0.0078

0.11

16,18,19

42

20

20,22,24

52

10

25,28

62

44

3

19

18

30,32,35,38

82

60

23

12

40,42

112

84

29

12

WGZ2

1250

4000

22,24

52

--

200

250

315

150

118

77

68

30

20

--

--

9.65

0.022

0.12

25,28

62

10

30,32,35,38

82

60

3

23

16

40,42,45,48,50,55,56

112

84

29

16

WGZ3

2500

4000

22,24

52

--

200

250

315

170

140

90

80

30

33

--

--

16.5

0.047

0.2

25,28

62

23

30,32,35,38

82

60

3

23

25

40,42,45,48,50,55,56

112

84

29

16

60,63

142

107

36

WGZ4

4500

3000

30,32,35,38

82

--

250

315

400

200

160

112

90

30

13

--

--

25.3

0.098

0.28

40,42,45,48,50,55,56

112

84

3

29

17

60,63,65,70,71,75

142

107

36

80

172

132

41

WGZ5

7100

3000

30,32,35,38

82

--

315

400

225

180

128

100

30

23

--

--

34.7

0.174

0.45

40,42,45,48,50,55,56

112

84

3

29

19

60,63,65,70,71,75

142

107

36

80,85,90

172

132

--

WGZ6

10000

3000

32,35,38

82

--

315

400

245

200

145

112

30

35

--

--

51.3

0.29

0.65

40,42,45,48,50,55,56

112

5

60,63,65,70,71,75

142

107

38

20

80,85,90,95

172

132

43

100

212

167

48

WGZ7

14000

2500

32,35,38

82

--

400

500

272

230

160

122

30

45

--

--

68

0.53

0.8

40,42,45,48,50,55,56

112

15

60,63,65,70,71,75

142

107

5

38

20

80,85,90,95

172

132

43

100,110

202

167

48

WGZ8

20000

2500

55,56

112

--

400

450

290

245

176

136

30

29

--

--

79

0.71

0.95

60,63,65,70,71,75

142

107

5

38

34

80,85,90,95

172

132

43

20

100,110,120,125

212

167

48

20

WGZ9

25000

2000

65,70,71,75

142

107

400

500

630

315

265

190

140

30

5

38

38

106.5

1.05

1.3

80,85,90,95

172

132

43

28

100,110,120,125

212

167

48

130,140

252

202

53

WGZ10

40000

2000

75

142

--

400

500

630

355

300

225

165

30

28

--

--

159

1.74

1.6

80,85,90,95

172

132

5

43

38

100,110,120,125

212

167

48

28

130,140,150

252

202

53

160

302

242

63

WGZ11

56000

1700

85,90,95

172

--

500

630

710

412

345

256

180

40

15

--

--

215

3.67

5

100,110,120,125

212

162

8

51

32

130,140,150

252

202

56

160,170,180

302

242

--

WGZ12

80000

1700

120,125

212

162

500

630

710

440

375

288

207

40

8

51

45

303

6.4

3.4

130,140,150

252

202

56

32

160,170,180

302

242

66

190,200

352

282

76

WGZ13

112000

1700

140,150

252

202

630

710

490

425

320

235

50

8

56

38

391

10.45

4.4

160,170,180

302

242

66

32

190,200,220

352

282

76

WGZ14

160000

1500

160,170,180

302

242

710

800

545

462

362

265

50

10

68

32

523

17.48

6.4

190,200,220

352

282

78

240,250,260

410

330

--

10

 







Company
Jiangsu Rokang Heavy Industry Technology Co., Ltd.
Jiangsu Rokang Heavy Industry Technology Co., Ltd. has fixed assets of more than 80 million yuan, and has a team of professional talents in mechanical design, precision manufacturing, heat treatment, welding, etc.; the company has a one-stop complete set of processing facilities and a series of quality inspection systems such as measurement, physical and chemical, and dynamic testing, and has a comprehensive mechanical processing capability. For many years, the company has been committed to the research and development and manufacturing of ball cage type constant velocity universal couplings, cross shaft type universal couplings, and drum gear couplings. It has carried out close industry-university-research cooperation with military and local scientific research institutes and Power Engineering Department of PLA Naval Academy, and has continuously expanded into the fields of precision, heavy load and high speed. The products have successfully replaced foreign famous brand products with excellent performance, and the process technology has reached the international advanced level. It has been widely used in lifting and transportation, metallurgical machinery, metal rolling, engineering machinery, mining machinery, petrochemical, textile machinery, military ships, armored vehicles, railway locomotives, special vehicles and other fields. The product quality and service have been recognized and praised by the majority of users, and are exported to Europe, America, Russia, the Middle East, India and other countries and regions. As ChinaSuppliers of RSK-WGZ type drum toothed coupling with brake wheel normally used in shoe brake, Rokang offer Wholesale RSK-WGZ type drum toothed coupling with brake wheel normally used in shoe brake. The company has always adhered to the business purpose of "quality first, honest management, and customer first". We are willing to work with you with excellent products, preferential prices and thoughtful services to create a brilliant career!
Certificate Of Honor
  • ROHS-HTT2025041212CH
  • ROHS-HTT2025041211CH
  • REACH-HTT2025041212CH
  • REACH-HTT2025041211CH
  • CE-HTT2025041212R
  • CE-HTT2025041211R
  • 9
  • 10
News