RSK-lx Flexible Nylon Pin Coupling for drive cushioning vibration damping

Home / Products / Flexible Couplings / Elastic Pin Couplings / RSK-lx Flexible Nylon Pin Coupling for drive cushioning vibration damping
  • Specification
  • Describe
Specification

 

Feature:

Simple Structure, Cost-Effective

Few parts, mature manufacturing processes, making it cost-effective

Lubrication-Free, Low Maintenance

Zero maintenance

Good Vibration Damping and Cushioning Performance

The rubber/polyurethane elastic rings effectively absorb torsional vibration and moderate shock loads, protecting drive equipment like motors and gearboxes

Both nylon pins and rubber rings are insulating materials, which can interrupt shaft current paths and prevent bearing electrical erosion

Lightweight, Low Moment of Inertia

The low density of nylon pins minimizes their impact on the coupling's start-stop characteristics

Easy Installation

Positioning via spigots allows relatively relaxed requirements for installation alignment

Primary Application Fields

Connection between motors and driven machines in fans, pumps, air compressors, and other general fluid-handling equipment (most typical application)

Light conveyors, mixers, packaging machines, agricultural machinery

Small to medium generator sets, compressor units

Various light industrial, chemical machinery where cost is sensitive and operating conditions are mild

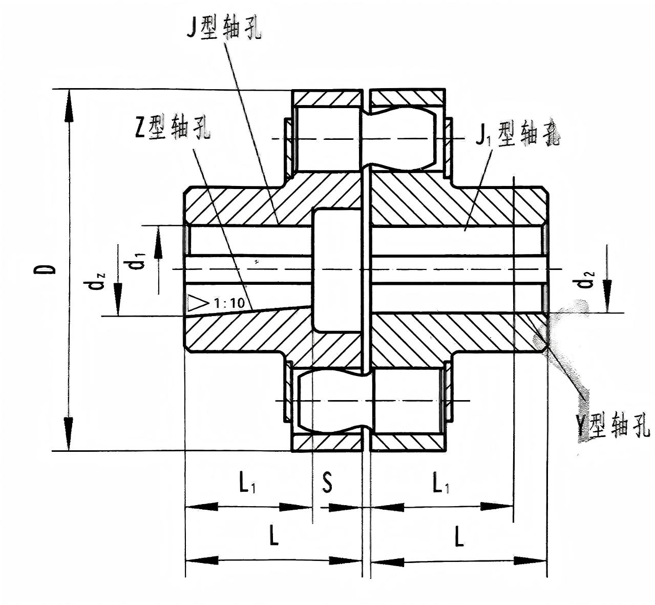
Model

 

Nominal

Torque

(N·m)

Permissible

rotational speed

(rpm)

Shaft hole diameter

(mm)

d₁、d₂、 dz、

Shaft hole length

(mm)

D

S

Allowable

compensation

amount

Moment of

inertia

()

weight

(kg)

Y-shaped

 

J、J₁、Z-shaped

Axial

Radial

Angle

direction

L

L₁

L

mm

RSK-LX1

250

8500

12、14

32

27

32

90

2.5

±0.5

0.15

≤0°30'

0.002

2

16、18、19

42

30

42

20、22、24

52

38

52

RSK-LX2

560

6300

20、22、24

52

38

52

120

2.5

±1

0.15

≤0°30'

0.009

5

25、28

62

44

62

30、32、35

82

60

82

RSK-LX3

1250

4750

30、32、35、38

82

60

82

160

2.5

±2

0.15

≤0°30'

0.026

8

40、42、45、48

112

84

112

RSK-LX4

2500

3870

40、42、45、48

50、55、56

112

84

112

195

3

±1.5

0.15

≤0°30′

0.109

22

60、63

142

107

142

RSK-LX5

3150

3450

50、55、56

142

107

142

220

3

±1.5

0.15

≤0°30′

0.191

30

60、63、65、70、71、75

142

107

142

RSK-LX6

6300

2720

60、63、65、70

71、75、80

142

107

142

280

4

±2

0.20

≤0°30'

0.543

53

85

172

132

172

RSK-LX7

11200

2360

70、71、75

142

107

142

320

4

±2

0.20

≤0°30′

1.314

98

80、85、90、95

172

132

172

100、110

212

167

212

RSK-LX8

16000

2120

80、85、90、95

212

167

212

360

5

±1

0.20

≤0°30°

2.023

119

100、110、120、125

212

167

212

RSK-LX9

22400

1850

100、110、120、125

212

167

212

410

5

±2

0.20

≤0°30′

4.386

197

130、140

252

202

252

RSK-LX10

35500

1600

110、120、125

212

167

212

480

6

±2.5

0.25

≤0°30′

9.760

322

130、140、150

252

202

252

160、170、180

302

242

302

RSK-LX11

50000

1400

130、140、150

252

202

252

540

6

±2.5

0.25

≤0°30'

20.05

520

160、170、180

302

242

302

190、200、220

352

282

352

RSK-LX12

80000

1220

160、170、180

302

242

302

630

7

±2.5

0.25

≤0°30'

37.71

714

190、200、220

352

282

352

240、250、260

410

330

-

RSK-LX13

125000

1080

190、200、220

352

282

352

710

8

±2

0.25

≤0°30'

71.37

1057

240、250、260

410

330

-

280、300

470

380

-

RSK-LX14

180000

950

240、250、260

410

330

-

800

8

±3

0.25

≤0°30°

170.6

1956

280、300、320

470

380

-

340

550

450

-

 







Company
Jiangsu Rokang Heavy Industry Technology Co., Ltd.
Jiangsu Rokang Heavy Industry Technology Co., Ltd. has fixed assets of more than 80 million yuan, and has a team of professional talents in mechanical design, precision manufacturing, heat treatment, welding, etc.; the company has a one-stop complete set of processing facilities and a series of quality inspection systems such as measurement, physical and chemical, and dynamic testing, and has a comprehensive mechanical processing capability. For many years, the company has been committed to the research and development and manufacturing of ball cage type constant velocity universal couplings, cross shaft type universal couplings, and drum gear couplings. It has carried out close industry-university-research cooperation with military and local scientific research institutes such as Jiangsu University of Science and Technology, School of Mechanical Engineering of Jiangsu University, and Power Engineering Department of PLA Naval Academy, and has continuously expanded into the fields of precision, heavy load and high speed. The products have successfully replaced foreign imported products with excellent performance, and the process technology has reached the international advanced level. It has been widely used in lifting and transportation, metallurgical machinery, metal rolling, engineering machinery, mining machinery, petrochemical, textile machinery, military ships, armored vehicles, railway locomotives, special vehicles and other fields. The product quality and service have been recognized and praised by the majority of users, and are exported to Europe, America, Russia, the Middle East, India and other countries and regions. In recent years, the company has been committed to the in-depth research and development of ball cage constant velocity universal couplings, and has successively developed ball cage constant velocity universal couplings for screw pumps, ball spline ball cage constant velocity universal couplings, coaxial double-speed, and double-way ball cage constant velocity universal couplings. It fundamentally solves the new problems that users currently encounter during use. The company has always adhered to the business purpose of "quality first, honest management, and customer first". We are willing to work with you with excellent products, preferential prices and thoughtful services to create a brilliant career!
Certificate Of Honor
  • 9
  • 10
  • 12
  • 1
  • 2
  • 3
  • 4
  • 5
  • 6
  • 7
  • 8
News
  • We are pleased to announce that the official website of Jiangsu Rokang Heavy Industry Technology Co., Ltd. is now online. Here you can learn about our latest product information, service introduction,...

    Read More
  • 1. Structural composition and meshing mechanism‌Double sprocket and common chain‌The chain coupling consists of two sprockets with the same number of teeth and a common roller chain. The two sprockets...

    Read More
  • Transmitting torque and motionEfficient power transmission: Stable transmission of torque and rotational motion between motors, reducers, pumps and other equipment to ensure continuous operation of th...

    Read More
  • Technical advantages of YHTJ ball cage universal coupling(1) High angle compensation capabilityLarge deflection angle: The deflection angle of a single section can reach 15°~25°, which can adapt to th...

    Read More