RSK-lz Elastic Pin Gear-Type Coupling transmit high torque large-displacement compensation

Home / Products / Flexible Couplings / Elastic Pin Couplings / RSK-lz Elastic Pin Gear-Type Coupling transmit high torque large-displacement compensation

RSK-lz Elastic Pin Gear-Type Coupling transmit high torque large-displacement compensation

Contact Us
  • Specification
  • Describe
Specification

Key Characteristics

Coexistence of High Torque and High Damping

Protects Core Gears

Adapts to Complex Operating Conditions

Primary Application Fields

Connection between engine and alternator in high-power diesel generator sets, requiring suppression of low-frequency torsional vibration and withstanding shock

Hydraulic pump drive systems in heavy engineering machinery (e.g., large excavators)

Power transmission systems of specialized vessels, requiring high reliability and shock resistance

Drive end of high-end test equipment, requiring precise transmission while isolating vibration from the power source

 

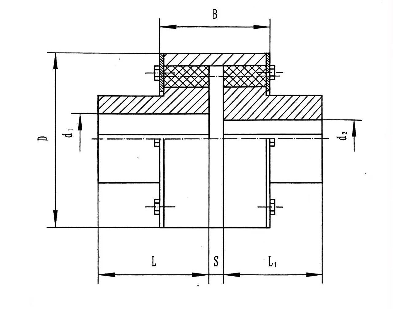
Model

Nominal Torque

(N·m)

Permissible

rotational speed

(rpm)

Shaft hole diameter

(mm)

d₁、d₂

Shaft hole length

L

D

B

s

Moment of

inertia

()

Weight

(kg)

Y-shaped

J₁-shaped

RSK-LZ1

112

5000

12,14

32

27

76

42

2.5

0.001

1.53

16,18,19

42

30

1.60

20,22,24

52

38

1.67

RSK-LZ2

250

5000

16,18,19

42

30

90

50

2.5

0.002

2.70

20,22,24

52

38

2.76

25,28

62

44

0.003

2.79

30,32

82

60

3.00

RSK-LZ3

630

4500

25,28

62

44

118

70

3

0.011

6.49

30,32,35,38

82

60

7.05

40,42

112

84

0.012

7.31

RSK-LZ4

1800

4200

40,42,45,48,50,55,56

112

84

158

90

4

0.044

16.20

60

142

107

0.045

15.25

RSK-LZ5

4500

4000

50,55,56

112

84

192

90

4

0.100

24.82

60,63,65,70,71,75

142

107

0.107

27.02

80

172

132

0.108

25.44

RSK-LZ6

8000

3300

60,63,65,70,71,75

142

107

230

112

5

0.238

40.89

80,85,90,95

172

132

0.242

40.15

RSK-LZ7

11200

2900

70,71,75

142

107

260

112

5

0.406

54.93

80,85,90,95

172

132

0.428

59.14

100,110

212

167

0.443

59.60

 

RSK-LZ8

 

18000

 

2500

80,85,90,95

172

132

300

128

6

0.860

89.35

100,110,120,125

212

167

0.911

94.67

130

252

202

0.908

87.43

RSK-LZ9

25000

2300

90,95

172

132

335

150

7

1.559

113.9

100,110,120,125

212

167

1.678

138.1

130,140,150

252

202

1.733

136.6

 

Model

Nominal Torque

(N·m)

Permissible

rotational speed

(rpm)

Shaft hole diameter

(mm)

d₁、d₂

Shaft hole length

L

D

B

s

Moment of

inertia

(

Weight

(kg)

Y-shaped

J₁-shaped

RSK-LZ10

31500

2100

100,110,120,125

212

167

355

152

8

2.236

165.5

130,140,150

252

202

2.362

169.3

160,170

302

242

2.422

164.0

RSK-LZ11

40000

2000

110,120,125

212

167

380

172

8

3.054

190.9

130,140,150

252

202

3.249

203.1

160,170,180

302

242

3.369

202.1

RSK-LZ12

630000

1700

130,140,150

252

202

445

182

8

6.146

288.5

160,170,180

302

242

6.432

296.6

190,200

352

282

6.524

288.0

RSK-LZ13

100000

1500

150

252

202

515

218

8

12.76

413.6

160,170,180

302

242

13.62

469.2

190,200,220

352

282

14.19

480.0

240

410

330

13.98

436.1

RSK-LZ14

125000

1400

170,180

302

242

560

218

8

19.90

581.5

190,200,220

352

282

21.17

621.7

240,250,260

410

330

21.67

599.4

RSK-LZ15

160000

1300

190,200,220

352

282

590

240

10

28.08

736.9

240,250,260

410

330

29.18

730.5

280,300

470

380

29.52

702.1

RSK-LZ16

250000

1000

220

352

282

695

265

10

56.21

1045

240,250,260

410

330

60.05

1129

280,300,320,

470

380

60.56

1144

340

550

450

62.47

1064

RSK-LZ17

355000

950

240,250,260

410

330

770

285

10

105.5

1500

280,300,320,

470

380

102.3

1557

340,360,380

550

450

106.0

1535

RSK-LZ18

450000

850

250,260

410

330

860

300

13

152.3

1902

280,300,320,

470

380

161.5

2025

340,360,380

550

450

169.9

2062

400,420

650

540

175.4

2029

RSK-LZ19

630000

750

280,300,320,

470

380

970

322

14

283.7

2818

340,360,380

550

450

303.4

2963

400,420,440,450

650

540

323.2

3068

RSK-LZ20

1120000

650

320,

470

380

1160

355

15

581.2

4010

340,360,380

550

450

624.5

4426

400,420,440,450,460,480,500

650

540

669.4

4715

RSK-LZ21

1800000

530

380

550

450

1440

360

18

1565

7293

400,420,440,450,460,480,500

650

540

1715

8228

530,560,600,630

800

680

1880

8699

RSK-LZ22

2240000

500

420,440,450,460,480,500

650

540

1520

405

19

2338

9736

530,560,600,630

800

680

2596

10631

670,710,750

780

2522

9473

RSK-LZ23

2800000

460

480,500

650

540

1640

440

20

3490

11946

530,560,600,630

800

680

3972

13822

670,710,750

780

3949

12826

800,850

880

3982

12095







Company
Jiangsu Rokang Heavy Industry Technology Co., Ltd.
Jiangsu Rokang Heavy Industry Technology Co., Ltd. has fixed assets of more than 80 million yuan, and has a team of professional talents in mechanical design, precision manufacturing, heat treatment, welding, etc.; the company has a one-stop complete set of processing facilities and a series of quality inspection systems such as measurement, physical and chemical, and dynamic testing, and has a comprehensive mechanical processing capability. For many years, the company has been committed to the research and development and manufacturing of ball cage type constant velocity universal couplings, cross shaft type universal couplings, and drum gear couplings. It has carried out close industry-university-research cooperation with military and local scientific research institutes such as Jiangsu University of Science and Technology, School of Mechanical Engineering of Jiangsu University, and Power Engineering Department of PLA Naval Academy, and has continuously expanded into the fields of precision, heavy load and high speed. The products have successfully replaced foreign imported products with excellent performance, and the process technology has reached the international advanced level. It has been widely used in lifting and transportation, metallurgical machinery, metal rolling, engineering machinery, mining machinery, petrochemical, textile machinery, military ships, armored vehicles, railway locomotives, special vehicles and other fields. The product quality and service have been recognized and praised by the majority of users, and are exported to Europe, America, Russia, the Middle East, India and other countries and regions. In recent years, the company has been committed to the in-depth research and development of ball cage constant velocity universal couplings, and has successively developed ball cage constant velocity universal couplings for screw pumps, ball spline ball cage constant velocity universal couplings, coaxial double-speed, and double-way ball cage constant velocity universal couplings. It fundamentally solves the new problems that users currently encounter during use. The company has always adhered to the business purpose of "quality first, honest management, and customer first". We are willing to work with you with excellent products, preferential prices and thoughtful services to create a brilliant career!
Certificate Of Honor
  • 9
  • 10
  • 12
  • 1
  • 2
  • 3
  • 4
  • 5
  • 6
  • 7
  • 8
News
  • We are pleased to announce that the official website of Jiangsu Rokang Heavy Industry Technology Co., Ltd. is now online. Here you can learn about our latest product information, service introduction,...

    Read More
  • 1. Structural composition and meshing mechanism‌Double sprocket and common chain‌The chain coupling consists of two sprockets with the same number of teeth and a common roller chain. The two sprockets...

    Read More
  • Transmitting torque and motionEfficient power transmission: Stable transmission of torque and rotational motion between motors, reducers, pumps and other equipment to ensure continuous operation of th...

    Read More
  • Technical advantages of YHTJ ball cage universal coupling(1) High angle compensation capabilityLarge deflection angle: The deflection angle of a single section can reach 15°~25°, which can adapt to th...

    Read More